HIHLH: Inserts for Thermoplastics

FSUK-HIHLH

WP 3D Thingviewer need Javascript to work.
Please activate and reload the page.

FSUK-HIHL

WP 3D Thingviewer need Javascript to work.
Please activate and reload the page.

Description

The HIHL range has been designed with a rounded crest and knurl configuration to be installed into Notch Sensitive Plastics such as 30% Glass Filled Polycarbonate. This insert reduces the stress and is available in a headed version to increase performance and aid with electrical contacts. It's designed to be installed into drilled or moulded holes using direct heat and reduces the risks associated with cracking.

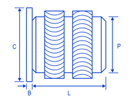
Dimensions

threadBCDPLholesize(+0.1mm-0.0)wall thicknessdownloads
M20.514.83.53.13.93.21.4download
M2.50.585.54.43.95.84.01.8download
M30.585.54.43.95.84.01.8download
M3.50.746.45.24.77.14.82.1download
M40.897.16.15.58.15.62.4download
M51.077.96.96.39.56.42.8download
M61.329.58.57.912.78.03.6download
M81.3211.110.09.512.79.65.0download

Advantages

SYMMETRICAL TO AID WITH INSTALLATION DESIGNED TO REDUCE STRESS FOR USING WITH AMORPHOUS PLASTICS HEADED VERSION FOR ELECTRICAL CONTACT AND HIGHER PERFORMANCE

Comments

PLEASE NOTE HOLE SIZES APPLY TO THE POINT REACHED AT THE BOTTOM OF THE INSERT
EXAMPLE DESIGNATION: FSUK HIHL B M3 UNHEADED M3
FSUK HIHLH B M3 HEADED M3
ONLY AVAILABLE IN BRASS

click HERE for a PDF version of this brochure page

Most sizes available from stock contact fsuk for further info.