STAND-OFFS: Self-Clinching Fasteners

FSUK-BLIND

FSUK-THROUGH

Cross Flat

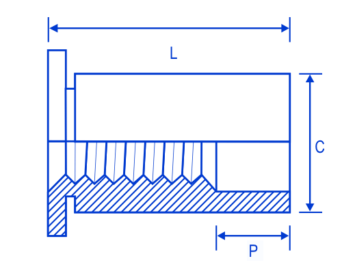
Description

The FSUK Stand-Offs are designed to serve as spacers normally to mount a PCB board in enclosures. They are available in a Blind of Through version and can be supplied in steel or stainless. The steel version are hardened and designed to go into sheet less than 80 Rockwell B, the stainless version is designed to go into less than 70 Rockwell B. They are designed to be installed into drilled or punched holes and must always be installed using a squeeze action. The tolerance on the hole must be -0.00 + 0.08mm.

Dimensions

threadCDPLH(A/F)holesizesheet thicknessMin Dis**
M2.54.18L6-12Max L14-16=6.4 18-26=9.5L12-14=4.8 L16-20=8 L22-26=115-264.84.21.0 (min)6.0
M34.18L6-12Max L14-16=6.4 18-26=9.5L12-14=4.8 L16-20=8 L22-26=115-264.84.21.0 (min)6.0
M3 (5.4)5.39L6-12Max L14-16=6.4 18-26=9.5L12-14=4.8 L16-20=8 L22-26=115-266.45.41.0 (min)6.8
M47.10L6-12Max L14-16=6.4 18-26=9.5L12-14=4.8 L16-20=8 L22-26=116-267.97.21.3 (min)8.0
M57.10L6-12Max L14-16=6.4 18-26=9.5L12-14=4.8 L16-20=8 L22-26=116-267.97.21.3 (min)8.0

** = Min distance to hole c/l to edge

Advantages

DESIGNED TO BE FLUSH ON ONE SIDE OF SHEET METAL

OFFERED IN A WIDE RANGE OF LENGTHS

SUITABLE FOR ALL THICKNESS OF SHEET OVER 1.0MM

AVAILABLE IN THROUGH AND BLIND VERSIONS

STEEL OR STAINLESS STEEL

Comments

HOW TO SPECIFY
FSUK BLD M4-12-S-TRIVALENT= M4-12 BLIND STEEL TRIVALENT PLATED
FSUK THROUGH M4-12 S-TRIVALENT= M4-12 THROUGH STEEL TRIVALENT PLATED
ALSO AVAILABLE IN STAINLESS AND SOME SIZES IN GRADE 4O0 STAINLESS
PLEASE CHECK WITH FSUK FOR AVAILABLITY OF STAINLESS/GRADE 400
PLEASE NOTE LENGTH (L) STARTS AT 6MM ON FSUK-BLIND

click HERE for a PDF version of this brochure page

Most sizes available from stock contact fsuk for further info.